
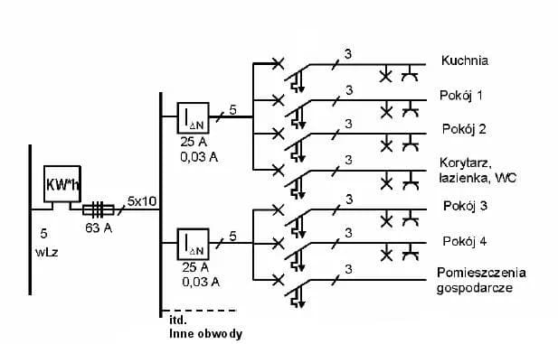
Dowiedz się, dlaczego wybija główny bezpiecznik i jakie niebezpieczeństwa czyhają w twojej instalacji elektrycznej. Poznaj skuteczne sposoby ratowania domu przed poważną awarią.
Jestem elektrykiem z ponad 15-letnim doświadczeniem w branży. Specjalizuję się w instalacjach elektrycznych, naprawach oraz modernizacjach systemów energetycznych. Moje doświadczenie zdobywałem zarówno na dużych budowach komercyjnych, jak i w domach jednorodzinnych. Pasjonuję się nowymi technologiami oraz inteligentnymi rozwiązaniami dla domu, które sprawiają, że nasze życie staje się prostsze i bezpieczniejsze. W wolnym czasie majsterkuję, budując własne projekty DIY, które chętnie dzielę się na portalu. Dzięki swojej wiedzy i pasji, pomagam innym zrozumieć i skutecznie realizować projekty remontowo-budowlane.

Dowiedz się, dlaczego wybija główny bezpiecznik i jakie niebezpieczeństwa czyhają w twojej instalacji elektrycznej. Poznaj skuteczne sposoby ratowania domu przed poważną awarią.

Dowiedz się, gdzie jest bezpiecznik w telewizorze i jak go bezpiecznie wymienić. Praktyczne wskazówki dotyczące lokalizacji i naprawy bezpiecznika w różnych modelach TV, w tym Samsung.

Dowiedz się, jak bezpiecznie podłączyć bezpieczniki w rozdzielni. Poznaj 8 kluczowych kroków, niezbędne narzędzia i zasady prawidłowej instalacji zabezpieczeń elektrycznych. Montuj profesjonalnie!

Dowiedz się, jak profesjonalnie wybrać bezpiecznik do rolet zewnętrznych. Poznaj kluczowe parametry, uniknij błędów i zabezpiecz instalację elektryczną rolet.

Dowiedz się, jak bezpiecznie podłączyć bezpiecznik 3 fazowy. Sprawdź krok po kroku instrukcję montażu, unikaj błędów i zabezpiecz swoją instalację elektryczną.

Dowiedz się, jaką rolę w domowej instalacji elektrycznej odgrywa bezpiecznik. Poznaj skuteczne metody ochrony przed awariami elektrycznymi i zabezpieczenia domu przed niebezpiecznymi zdarzeniami.

Dowiedz się, jak wybrać idealny bezpiecznik do siły. Profesjonalne porady, najczęstsze błędy i skuteczne zabezpieczenia elektryczne, które ochronią Twoją instalację przed awariami.

Dowiedz się, jak prawidłowo dobrać bezpiecznik do wzmacniacza samochodowego. Poznaj kluczowe parametry, rodzaje i zasady bezpiecznej instalacji car audio. Uniknij kosztownych awarii!

Dowiedz się jak sprawdzić bezpiecznik w swoim aucie. Krok po kroku przeprowadzimy Cię przez lokalizację skrzynki, diagnostykę i wymianę bezpieczników. Zadbaj o elektrykę swojego samochodu!

Poznaj szczegółowy schemat podłączenia czujnika ruchu. Dowiedz się, jak prawidłowo zainstalować i skonfigurować urządzenie, unikając typowych błędów. Krok po kroku do bezpiecznej instalacji.