Łączenie przewodu neutralnego z ochronnym - niebezpieczne!
Dowiedz się, dlaczego łączenie przewodu neutralnego z ochronnym jest niebezpieczne. Poznaj różnice, przepisy i zasady bezpiecznej instalacji elektrycznej. Chroń swój dom i rodzinę!
Dowiedz się, dlaczego łączenie przewodu neutralnego z ochronnym jest niebezpieczne. Poznaj różnice, przepisy i zasady bezpiecznej instalacji elektrycznej. Chroń swój dom i rodzinę!
Poznaj schemat przełącznika schodowego i wykonaj prostą instalację samodzielnie. Krok po kroku omówimy montaż, podłączenie i uruchomienie układu sterowania oświetleniem. Oszczędź czas i pieniądze!
Poznaj zasady działania diody, katody i anody w układach elektronicznych. Dowiedz się, jak przepływ prądu i polaryzacja wpływają na funkcjonowanie tych kluczowych elementów.
Poznaj funkcje i zastosowanie rozłącznika izolacyjnego 1-fazowego w instalacjach elektrycznych. Dowiedz się, jak zapewnić bezpieczeństwo i efektywność w swoim systemie elektrycznym.
Dowiedz się, jak prawidłowo podłączyć ogranicznik przepięć w instalacji elektrycznej. Skuteczna ochrona przed przepięciami - schemat, zasady montażu i najważniejsze wskazówki.
Dowiedz się, jak samodzielnie podłączyć czujnik ruchu do lampy. Krok po kroku instrukcja montażu, wskazówki bezpieczeństwa i porady dla optymalnej konfiguracji oświetlenia.
Poznaj zasady działania schematu schodowego pojedynczego i dowiedz się, jak prawidłowo zainstalować łącznik schodowy. Praktyczne wskazówki dla domowych instalacji elektrycznych.
Pełny schemat podłączenia wyłącznika schodowego na klatce schodowej. Sprawdź jak poprawnie zamontować i zainstalować łącznik schodowy krok po kroku. Instrukcja z diagramem.
Poznaj symbol rozłącznika izolacyjnego oraz jego znaczenie na schematach elektrycznych. Sprawdź oznaczenia jedno- i wielobiegunowe zgodne z aktualnymi normami technicznymi.
Dowiedz się, jak bezpiecznie podłączyć przewody do gniazdka elektrycznego. Poznaj rodzaje kabli, narzędzia i zasady montażu. Unikaj błędów i zapewnij bezpieczeństwo swojej instalacji elektrycznej.
Poznaj klasę ochronności 1 i jej kluczową rolę w bezpieczeństwie elektrycznym. Dowiedz się, jak działa izolacja podstawowa i przewód ochronny, chroniąc przed porażeniem prądem.
Dowiedz się, jak samodzielnie wykonać pomiary instalacji elektrycznej w domu. Krok po kroku przeprowadzimy Cię przez proces kontroli bezpieczeństwa Twojej instalacji. Sprawdź już teraz!
Poznaj rodzaje i zastosowanie kondensatorów w elektronice. Dowiedz się, jak dobrać odpowiedni typ do swojego projektu, poznaj parametry techniczne i najważniejsze cechy każdego rodzaju.
Szukasz idealnego czasomierza do gniazdka? Porównaj różne modele i dowiedz się, jak wybrać najlepszy sterownik czasowy dla Twoich potrzeb. Oszczędzaj energię i automatyzuj dom!
Poznaj przełącznik czasowy do światła i zautomatyzuj oświetlenie w domu. Oszczędzaj energię, zwiększ wygodę i bezpieczeństwo. Dowiedz się, jak wybrać i zainstalować timer do lamp.
Naucz się zarabiać kabel do anteny w 7 prostych krokach. Poznaj niezbędne narzędzia, techniki montażu i testowania. Zwiększ jakość sygnału TV dzięki samodzielnie przygotowanemu połączeniu.
Dowiedz się, jak prawidłowo wykonać podłączenie światła na dwa włączniki. Szczegółowa instrukcja montażu krok po kroku, lista potrzebnych materiałów oraz praktyczne wskazówki bezpieczeństwa.
Poznaj podstawy elektryki z darmowym PDF! Praktyczne wskazówki, schematy i ćwiczenia dla początkujących. Bezpieczeństwo, narzędzia i przykłady zastosowań w jednym miejscu.
Dowiedz się, jak prawidłowo używać miernika wilgotności ziemi w doniczce. Poznaj typy urządzeń, techniki pomiaru i interpretacji wyników dla optymalnego nawadniania roślin domowych.
Wybierz idealny miernik wilgotności podłoża dla swoich potrzeb. Poznaj rodzaje, zastosowania i kryteria wyboru higrometru glebowego. Zwiększ efektywność nawadniania i upraw.
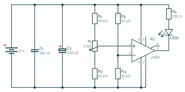
Poznaj wzmacniacze operacyjne poprzez praktyczne zadania i rozwiązania. Nauczysz się obliczeń dla różnych konfiguracji, zrozumiesz teorię i zastosujesz wiedzę w praktyce. Rozwiąż problemy krok po kroku!
Poznaj rodzaje złączek do kabla TV i wybierz idealną dla swojej instalacji. Dowiedz się o złączach typu F, kompresyjnych i innych. Porady montażowe i wpływ na jakość sygnału.
Poznaj różne rodzaje kondensatorów i ich zastosowanie w elektronice. Dowiedz się, jak działają, jakie mają funkcje i jak dobrać odpowiedni typ do swojego układu. Kompendium wiedzy dla elektroników.
Dowiedz się, jak prawidłowo podłączyć przewody do gniazda elektrycznego. Krok po kroku instrukcja montażu, zasady bezpieczeństwa i najważniejsze wskazówki dla każdego majsterkowicza.
Naucz się, jak podłączyć oświetlenie schodowe w 5 prostych krokach. Montaż lamp, instalacja czujników ruchu i wybór LED. Praktyczne wskazówki dla amatorów elektryki domowej.
Dowiedz się, jak wybrać i zainstalować odpowiedni kabel przyłączeniowy do domu. Poznaj rodzaje kabli, czynniki wyboru i zasady bezpiecznego montażu dla efektywnej instalacji elektrycznej.
Dowiedz się, jak wybrać i zamontować końcówkę do anteny satelitarnej. Poznaj różne typy złączy, ich zalety i instrukcje montażu. Zapewnij sobie najlepszą jakość sygnału telewizyjnego.