
Poznaj kluczowe symbole obwodu elektrycznego i naucz się czytać schematy jak profesjonalista. Dowiedz się, jak oznaczenia elektryczne ułatwiają pracę inżynierów i techników.
Od wielu lat zajmuję się szeroko pojętą branżą budowlaną, ze szczególnym uwzględnieniem remontów oraz wykończeń wnętrz. Jako właściciel firmy remontowo-budowlanej mam za sobą setki zrealizowanych projektów, od małych prac naprawczych po kompleksowe renowacje. Uwielbiam majsterkowanie, a w swoich artykułach dzielę się praktycznymi poradami, które mogą pomóc zarówno profesjonalistom, jak i amatorom. Każdy nowy projekt to dla mnie wyzwanie, które podejmuję z pełnym zaangażowaniem. Moim celem jest inspirowanie i edukowanie, aby każdy mógł cieszyć się pięknem i funkcjonalnością swojego otoczenia.

Poznaj kluczowe symbole obwodu elektrycznego i naucz się czytać schematy jak profesjonalista. Dowiedz się, jak oznaczenia elektryczne ułatwiają pracę inżynierów i techników.

Poznaj 5 sprawdzonych metod przedłużenia kabla antenowego TV. Dowiedz się, jak używać złączy, wzmacniaczy i zestawów przedłużających, by cieszyć się doskonałym sygnałem telewizyjnym.

Dowiedz się, jak prawidłowo rozmieścić gniazdka nad blatem w kuchni. Poznaj optymalne wysokości, rodzaje i miejsca montażu dla bezpiecznej i funkcjonalnej instalacji elektrycznej.

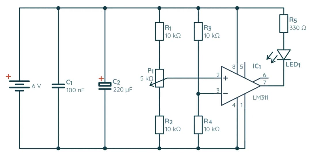
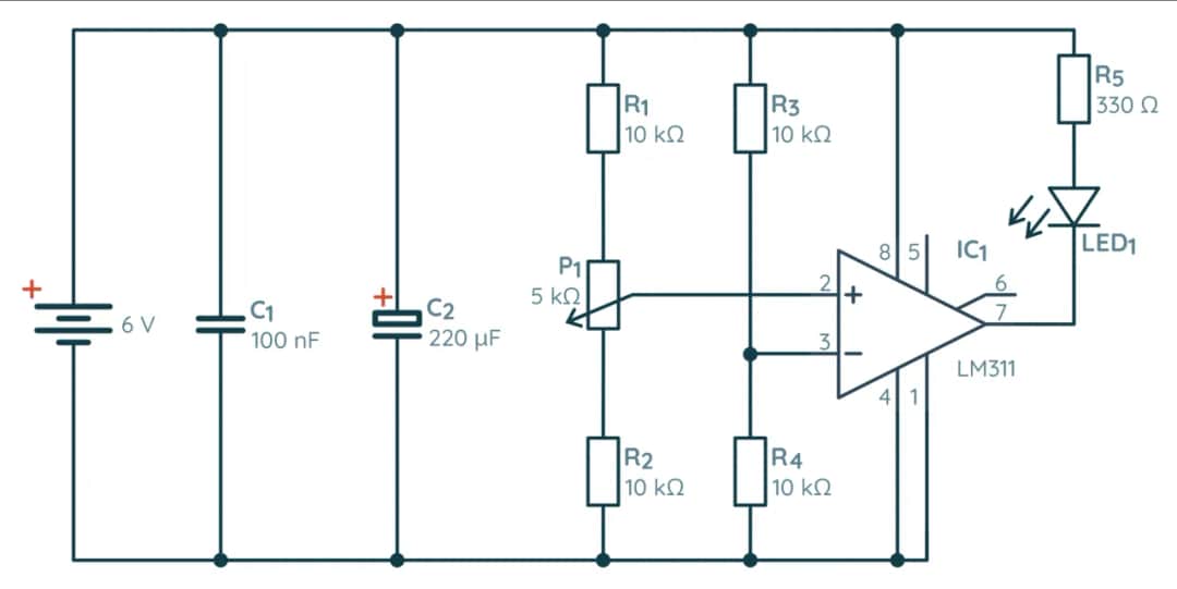
Poznaj budowę i zasadę działania komparatora na wzmacniaczu operacyjnym. Dowiedz się jak porównywać napięcia, wykorzystać histerezę i uniknąć typowych problemów w praktycznych zastosowaniach.

Poznaj szczegółowy schemat podłączenia wyłącznika schodowego podwójnego. Krok po kroku instrukcja montażu, zasady działania i typowe zastosowania. Profesjonalne porady dla każdego.

Dowiedz się, jak podłączyć podwójny włącznik światła krok po kroku. Poznaj rodzaje przewodów, zasady bezpieczeństwa i schemat instalacji. Samodzielny montaż bez problemów!

Porównaj 5 najlepszych wykrywaczy metali na rynku. Znajdź idealny model dla siebie - od tanich dla początkujących po zaawansowane dla profesjonalistów. Sprawdź ranking i wybierz najlepszy!

Poznaj schemat przełącznika schodowego i wykonaj prostą instalację samodzielnie. Krok po kroku omówimy montaż, podłączenie i uruchomienie układu sterowania oświetleniem. Oszczędź czas i pieniądze!

Poznaj funkcje i zastosowanie rozłącznika izolacyjnego 1-fazowego w instalacjach elektrycznych. Dowiedz się, jak zapewnić bezpieczeństwo i efektywność w swoim systemie elektrycznym.

Poznaj zasady działania schematu schodowego pojedynczego i dowiedz się, jak prawidłowo zainstalować łącznik schodowy. Praktyczne wskazówki dla domowych instalacji elektrycznych.