Bezpieczniki do siły: Unikaj wpadek i chroń instalację elektryczną
Dowiedz się, jak wybrać idealny bezpiecznik do siły. Profesjonalne porady, najczęstsze błędy i skuteczne zabezpieczenia elektryczne, które ochronią Twoją instalację przed awariami.
Dowiedz się, jak wybrać idealny bezpiecznik do siły. Profesjonalne porady, najczęstsze błędy i skuteczne zabezpieczenia elektryczne, które ochronią Twoją instalację przed awariami.
Dowiedz się, jak prawidłowo dobrać bezpiecznik do wzmacniacza samochodowego. Poznaj kluczowe parametry, rodzaje i zasady bezpiecznej instalacji car audio. Uniknij kosztownych awarii!
Dowiedz się jak sprawdzić bezpiecznik w swoim aucie. Krok po kroku przeprowadzimy Cię przez lokalizację skrzynki, diagnostykę i wymianę bezpieczników. Zadbaj o elektrykę swojego samochodu!
Poznaj szczegółowy schemat podłączenia czujnika ruchu. Dowiedz się, jak prawidłowo zainstalować i skonfigurować urządzenie, unikając typowych błędów. Krok po kroku do bezpiecznej instalacji.
Dowiedz się, jak bezpiecznik B10 chroni twoją instalację elektryczną. Poznaj parametry, rodzaje i zasady działania wyłącznika nadprądowego, który może uratować twoje urządzenia przed awarią.
Dowiedz się, jak bezpiecznie używać bezpiecznika 16A. Sprawdź, ile watów możesz podłączyć, unikając ryzyka uszkodzenia instalacji elektrycznej i zagrożenia pożarowego.
Dowiedz się, jak prawidłowo podłączyć licznik 3 fazowy krok po kroku. Bezpieczna instalacja, schemat podłączenia i niezbędne narzędzia. Uniknij typowych błędów przy montażu.
Dowiedz się, gdzie montować bezpiecznik na plusie czy minusie. Poznaj kluczowe zasady bezpiecznej instalacji elektrycznej i unikaj kosztownych błędów w zabezpieczeniu obwodu.
Dowiedz się, czym jest bezpiecznik elektryczny i jak skutecznie chronić instalację przed awariami. Poznaj rodzaje, działanie i zasady bezpieczeństwa instalacji elektrycznej.
Czym jest rezystor i jak działa? Poznaj definicję, zastosowanie i rodzaje tego kluczowego elementu elektroniki. Dowiedz się, dlaczego rezystory są niezbędne w każdym obwodzie elektrycznym.
Dowiedz się jak podłączyć mostek prostowniczy w 5 prostych krokach. Szczegółowy schemat montażu, praktyczne wskazówki i najważniejsze zasady bezpieczeństwa. Wykonaj instalację samodzielnie!
Dowiedz się, gdzie dokładnie znajduje się bezpiecznik w piekarniku Amica. Sprawdź objawy uszkodzenia, narzędzia i zasady bezpiecznej wymiany krok po kroku.
Naucz się, jak zamontować oświetlenie pod szafkami w kuchni w 5 prostych krokach. Poznaj tajniki instalacji taśm LED i stwórz perfekcyjne oświetlenie robocze w swojej kuchni.
Poznaj krok po kroku, jak podłączyć stycznik 3 fazowy. Bezpieczna instalacja, montaż i uruchomienie - wszystko, co musisz wiedzieć o podłączeniu stycznika trójfazowego w jednym miejscu.
Dowiedz się, jakie bezpieczniki na gniazdka wybrać, aby skutecznie chronić instalację elektryczną. Poznaj typy, zasady montażu i uniknij niebezpiecznych awarii w swoim domu.
Sprawdź 8 kluczowych zasad bezpiecznego podłączenia przewodów do bezpieczników. Dowiedz się, jak profesjonalnie wykonać montaż elektryczny krok po kroku i uniknąć niebezpiecznych błędów.
Dowiedz się, jak zamontować domofon samodzielnie. Kompletna instrukcja krok po kroku: od wyboru sprzętu, przez instalację, po testowanie. Poznaj wskazówki i unikaj błędów podczas montażu.
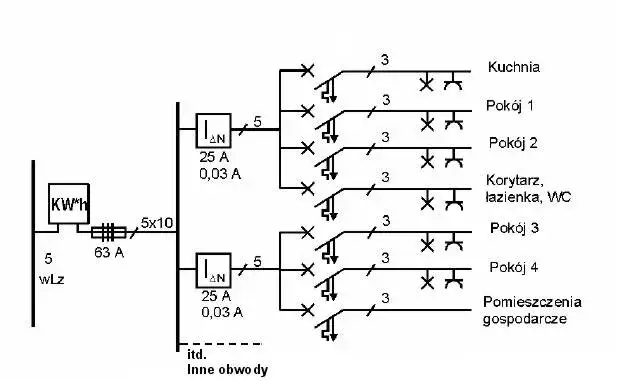
Dowiedz się, jak wybrać bezpiecznik na 3 fazy, unikając kosztownych błędów. Profesjonalne porady dotyczące zabezpieczenia instalacji elektrycznej krok po kroku.
Czasówka do gniazdka automatyzuje Twój dom, oszczędzając energię i czas. Poznaj rodzaje, zastosowania i korzyści z programatorów czasowych. Ułatw sobie życie już dziś!
Dowiedz się, jaki bezpiecznik do fotowoltaiki wybrać dla optymalnej ochrony systemu PV. Poznaj zalety bezpieczników gPV i kluczowe parametry zabezpieczenia instalacji fotowoltaicznej.
Dowiedz się, jakie bezpieczniki do garażu wybrać, aby skutecznie chronić instalację elektryczną. Poznaj zasady bezpieczeństwa, unikaj zagrożeń i zabezpiecz swój sprzęt przed awariami.
Dowiedz się, jak szybko i bezpiecznie sprawdzić bezpiecznik termiczny multimetrem. Praktyczny poradnik krok po kroku, który nauczy Cię profesjonalnej diagnostyki elektrycznej.
Dowiedz się, jak bezpiecznie podłączyć lampę w 5 prostych krokach. Instrukcja montażu lampy sufitowej dla początkujących. Poznaj zasady elektryki domowej i ciesz się nowym oświetleniem!
Dowiedz się, jak prawidłowo podłączyć stycznik 230V krok po kroku. Poznaj schemat montażu, oznaczenia zacisków i zasady bezpieczeństwa. Praktyczne wskazówki dla każdego elektryka.
Dowiedz się, ile watów ma żarówka o jasności 800 lumenów. Porównaj moc LED i tradycyjnych źródeł światła. Poznaj wzór na przeliczanie lumenów na waty i oszczędzaj energię.
Dowiedz się, jak wybrać odpowiedni bezpiecznik do lodówki. Sprawdź objawy uszkodzenia, poznaj parametry techniczne i uniknij kosztownych awarii elektrycznych.
Dowiedz się, jak rozpoznać spalony bezpiecznik w domu dzięki 5 sprawdzonym metodom. Poznaj oznaki, naucz się diagnostyki i bezpiecznej wymiany. Chroń swój dom przed awariami elektrycznymi.