
Kable zasilające do domu: jak wybrać najlepsze dla instalacji
Wybierz odpowiedni kabel zasilający do domu. Poznaj rodzaje, parametry i zasady bezpiecznej instalacji. Sprawdź, jak dobrać przewód do swojej sieci elektrycznej.

Wybierz odpowiedni kabel zasilający do domu. Poznaj rodzaje, parametry i zasady bezpiecznej instalacji. Sprawdź, jak dobrać przewód do swojej sieci elektrycznej.

Poznaj kluczowe symbole obwodu elektrycznego i naucz się czytać schematy jak profesjonalista. Dowiedz się, jak oznaczenia elektryczne ułatwiają pracę inżynierów i techników.

Dowiedz się, jak prawidłowo rozmieścić gniazdka nad blatem w kuchni. Poznaj optymalne wysokości, rodzaje i miejsca montażu dla bezpiecznej i funkcjonalnej instalacji elektrycznej.

Krok po kroku nauczysz się, jak podłączyć czujnik ruchu do lampy. Poznaj proste wskazówki dotyczące instalacji, montażu i konfiguracji. Zaoszczędź energię i zwiększ bezpieczeństwo!

Dowiedz się, jaką różnicówkę wybrać do domu. Poznaj rodzaje wyłączników różnicowoprądowych i kryteria doboru. Zadbaj o bezpieczną instalację elektryczną w swoim mieszkaniu.

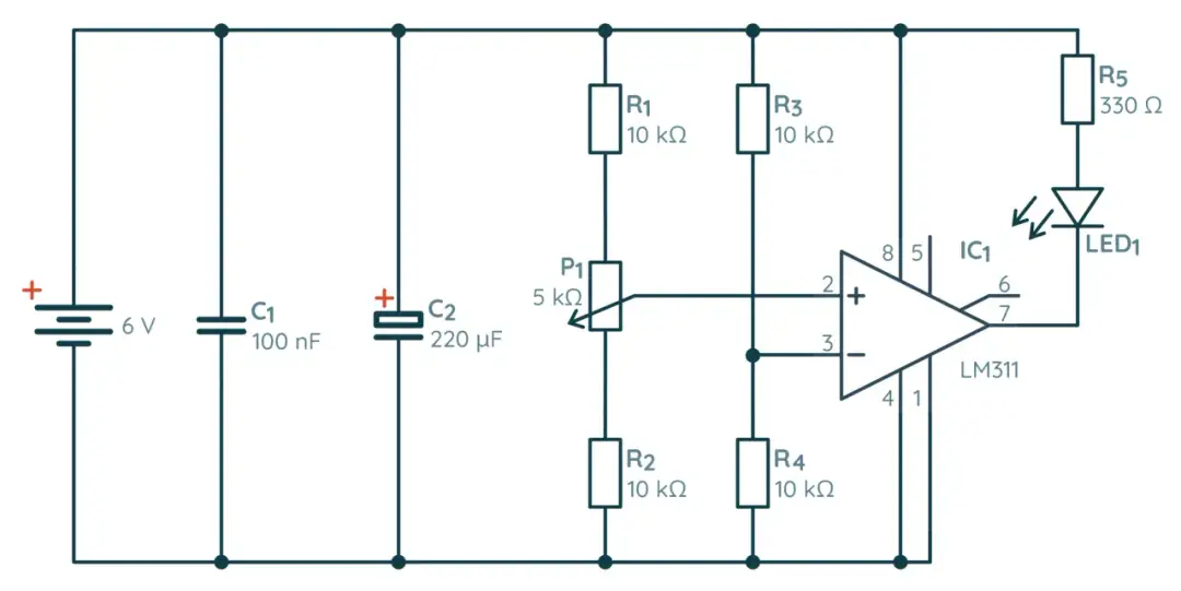
Poznaj budowę i zasadę działania komparatora na wzmacniaczu operacyjnym. Dowiedz się jak porównywać napięcia, wykorzystać histerezę i uniknąć typowych problemów w praktycznych zastosowaniach.

Dowiedz się, jak podłączyć podwójny włącznik światła krok po kroku. Poznaj rodzaje przewodów, zasady bezpieczeństwa i schemat instalacji. Samodzielny montaż bez problemów!

Poznaj schemat połączenia klatkowego i rozruch gwiazda-trójkąt. Dowiedz się, jak działa układ zasilania silnika klatkowego i jakie ma zastosowania w przemyśle. Kompletny opis dla inżynierów.

Poznaj rodzaje i zastosowanie kondensatorów w elektronice. Dowiedz się, jak dobrać odpowiedni typ do swojego projektu, poznaj parametry techniczne i najważniejsze cechy każdego rodzaju.

Dowiedz się, jak działa zegar sterujący do gniazdka i kiedy warto go używać. Poznaj różne typy programatorów czasowych i ich zastosowania w domu i ogrodzie.