Energia
Jak bezpiecznie radzić sobie z awariami elektrycznymi w domu
Dowiedz się, jak zabezpieczyć instalację elektryczną. 2025 rok to czas, gdzie jest najwięcej możliwości dla bezpieczeństwa elektrycznego w domu.
•
29 kwietnia 2025
Jak bezpiecznie radzić sobie z awariami elektrycznymi w domu
Dowiedz się, jak zabezpieczyć instalację elektryczną. 2025 rok to czas, gdzie jest najwięcej możliwości dla bezpieczeństwa elektrycznego w domu.
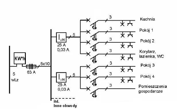
Główny bezpiecznik się wyłącza? Poznaj niebezpieczne przyczyny i ratuj instalację
Dowiedz się, dlaczego wybija główny bezpiecznik i jakie niebezpieczeństwa czyhają w twojej instalacji elektrycznej. Poznaj skuteczne sposoby ratowania domu przed poważną awarią.