Komparator na wzmacniaczu operacyjnym to podstawowy układ elektroniczny służący do porównywania dwóch napięć. Jest prosty w budowie. Generuje sygnał wyjściowy w oparciu o różnicę między napięciami. Składa się z dwóch wejść i jednego wyjścia. Jego działanie opiera się na prostej zasadzie - gdy napięcie na wejściu nieodwracającym przewyższa napięcie na wejściu odwracającym, układ generuje stan wysoki. W przeciwnym razie daje stan niski.
Najważniejsze informacje:- Komparator porównuje dwa napięcia wejściowe
- Posiada wejście odwracające (-) i nieodwracające (+)
- Generuje dwa stany wyjściowe: wysoki lub niski
- Wymaga zasilania do prawidłowej pracy
- Może być wyposażony w histerezę dla zwiększenia stabilności
- Znajduje szerokie zastosowanie w elektronice analogowej i cyfrowej
- Służy jako łącznik między sygnałami analogowymi a cyfrowymi
Definicja i zasada działania komparatora
Komparator na wzmacniaczu operacyjnym to podstawowy układ elektroniczny służący do porównywania dwóch napięć. Jest to kluczowy element w elektronice analogowej i cyfrowej. Układ porównujący napięcie przekształca różnicę między sygnałami wejściowymi na sygnał cyfrowy.
Wzmacniacz operacyjny jako komparator znajduje szerokie zastosowanie w automatyce przemysłowej. Jego główną zaletą jest prostota konstrukcji. Może pracować jako przetwornik analogowo-cyfrowy w podstawowych aplikacjach.
Zasada działania opiera się na ciągłym porównywaniu dwóch napięć wejściowych. Wyjście przyjmuje jeden z dwóch stanów w zależności od wyniku porównania.
- Dwa wejścia: odwracające i nieodwracające
- Jedno wyjście cyfrowe
- Układ zasilania
- Opcjonalny układ histerezy
Budowa komparatora - elementy i połączenia
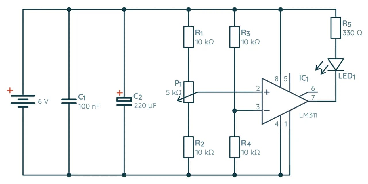
Wejście nieodwracające (oznaczone "+") przyjmuje napięcie odniesienia. Jest to kluczowy punkt pomiarowy układu.
Wejście odwracające (oznaczone "-") służy do doprowadzenia napięcia porównywanego. Oba wejścia charakteryzują się wysoką impedancją.
Wyjście komparatora napięcia dostarcza sygnał cyfrowy o dwóch możliwych stanach. Może być obciążone rezystancją nie mniejszą niż określona w dokumentacji.
Zasilanie układu jest symetryczne lub asymetryczne w zależności od aplikacji. Typowe wartości to ±15V lub pojedyncze napięcie 5V.
| Parametr | Wartość minimalna | Wartość maksymalna |
| Napięcie wejściowe | -15V | +15V |
| Prąd wejściowy | -1mA | +1mA |
| Napięcie wyjściowe | 0V | +5V/+15V |
Jak działa układ komparatora?
Komparator na wzmacniaczu operacyjnym stale monitoruje różnicę napięć na wejściach. Kiedy napięcie na wejściu nieodwracającym przewyższa napięcie na wejściu odwracającym, wyjście przechodzi w stan wysoki. Ta zmiana następuje bardzo szybko, w czasie rzędu mikrosekund.
Układ porównujący napięcie działa jak przełącznik sterowany różnicą potencjałów. Proces porównywania jest ciągły i dynamiczny. Nawet niewielka zmiana napięcia może spowodować przełączenie stanu wyjściowego.
Detektor napięcia reaguje na przekroczenie ustalonego progu. Jest to podstawowa funkcja wykorzystywana w systemach zabezpieczeń. Precyzja porównania zależy od jakości użytych komponentów.
Stany wyjściowe komparatora
Stan wysoki pojawia się, gdy napięcie na wejściu nieodwracającym jest większe. Typowo osiąga wartość zbliżoną do napięcia zasilania.
Stan niski występuje w przeciwnym przypadku. Jego wartość jest bliska potencjałowi masy układu.
Przełączanie między stanami zachodzi bardzo szybko. Jest to proces dynamiczny. Czas przełączania zależy od parametrów układu.
Co to jest histereza w komparatorze?
Komparator napięcia z histerezą posiada dwa różne progi przełączania. Wprowadzenie histerezy eliminuje problem wielokrotnych przełączeń przy napięciach zbliżonych do progu zadziałania. Mechanizm ten działa jak pamięć stanu.
Histereza tworzy margines bezpieczeństwa między stanami. Jest realizowana przez dodatnie sprzężenie zwrotne. Wielkość histerezy można regulować dobierając odpowiednie elementy.
Układ porównywania sygnałów analogowych z histerezą jest odporny na zakłócenia. Eliminuje to problem drgań styków. Stabilizuje pracę całego układu.
Progi przełączania różnią się w zależności od kierunku zmiany napięcia. Typowa wartość histerezy wynosi od kilku do kilkudziesięciu miliwoltów.
Znaczenie histerezy w praktyce
Histereza znacząco poprawia odporność na zakłócenia. Eliminuje przypadkowe przełączenia spowodowane szumami. Jest niezbędna w środowiskach przemysłowych.
Właściwie dobrana wartość histerezy gwarantuje stabilną pracę. Zapewnia jednoznaczne stany wyjściowe. Zmniejsza pobór energii przez układ.
- Eliminacja przypadkowych przełączeń
- Zwiększona odporność na zakłócenia
- Redukcja poboru mocy
- Wydłużenie żywotności układu
- Poprawa niezawodności systemu
Zastosowania komparatorów
Komparator na wzmacniaczu operacyjnym często służy jako przetwornik analogowo-cyfrowy w prostych aplikacjach. Znajduje zastosowanie w systemach kontroli poziomu napięcia. Jest podstawowym elementem układów zabezpieczających.
Detektor napięcia bazujący na komparatorze monitoruje stan baterii i akumulatorów. Zabezpiecza przed przeładowaniem i głębokim rozładowaniem. Może również kontrolować proces ładowania.
Układ porównujący napięcie jest kluczowym elementem w automatyce przemysłowej. Kontroluje parametry procesów technologicznych. Umożliwia precyzyjne sterowanie urządzeniami.
W elektronice cyfrowej komparatory przetwarzają sygnały analogowe na cyfrowe. Są niezbędne w interfejsach między różnymi systemami.
W systemach pomiarowych służą do wykrywania przekroczenia wartości granicznych. Umożliwiają szybką reakcję na nieprawidłowe stany.
Ograniczenia i problemy techniczne
Wzmacniacz operacyjny jako komparator ma pewne ograniczenia szybkościowe. Czas reakcji może być zbyt długi dla niektórych zastosowań. Występują też problemy z nasyceniem wyjścia.
Przy zbyt małej różnicy napięć wejściowych układ może pracować niestabilnie. Szumy i zakłócenia mogą powodować niepożądane przełączenia. Problem ten nasila się w układach bez histerezy.
Właściwe zasilanie jest kluczowe dla poprawnej pracy. Asymetria napięć zasilających może prowadzić do błędów.
Należy unikać przekraczania dopuszczalnych napięć wejściowych. Temperatura pracy musi mieścić się w określonych granicach.
| Problem | Rozwiązanie |
| Niestabilne przełączanie | Dodanie histerezy |
| Wolna odpowiedź | Wybór szybszego układu |
| Szumy na wyjściu | Poprawa filtracji zasilania |
Parametry krytyczne przy doborze komponentów
Czas odpowiedzi jest kluczowym parametrem w aplikacjach cyfrowych. Napięcie niezrównoważenia wpływa na precyzję porównania. Pobór prądu określa efektywność energetyczną układu.
Impedancja wejściowa musi być odpowiednio wysoka. Maksymalny prąd wyjściowy limituje możliwości sterowania. Zakres napięć wejściowych określa obszar zastosowań.
Wybór komponentów zależy od konkretnej aplikacji. Należy uwzględnić warunki środowiskowe pracy układu.
Praktyczne aspekty stosowania komparatorów
Komparator na wzmacniaczu operacyjnym to wszechstronny układ elektroniczny, który znajduje zastosowanie w wielu dziedzinach. Jego główną zaletą jest prostota konstrukcji i niezawodność działania. Dzięki możliwości porównywania napięć, stanowi most między światem analogowym a cyfrowym.
Kluczem do skutecznego wykorzystania komparatora napięcia jest właściwe zrozumienie jego parametrów i ograniczeń. Zastosowanie histerezy znacząco poprawia stabilność układu. Dobór odpowiednich komponentów i prawidłowe zasilanie gwarantują niezawodną pracę.
Układ porównujący napięcie sprawdza się zarówno w prostych aplikacjach domowych, jak i zaawansowanych systemach przemysłowych. Jego uniwersalność i możliwość dostosowania do różnych warunków pracy sprawiają, że pozostaje podstawowym elementem współczesnej elektroniki.






